SD11-2OT
Short Description:
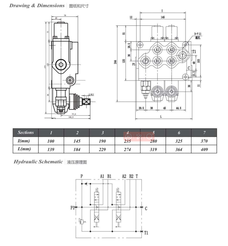
SD11 series valves with middle-high pressure monoblock construction is developed based on Europe technology. ♦ Inner check valve: The check valve inside the valve body is to insure the hydraulic oil not to be returned. ♦ Inner relief valve: The relief valve inside the valve body is able to adjust the hydraulic system working pressure. ♦ Oil way: Parallel circuit, power beyond option ♦ Control Way: Manual control, pneumatic control, hydraulic and electric control for optional. ♦ Valve construc...
Product Detail
Product Tags
SD11 series valves with middle-high pressure monoblock construction is developed based on Europe technology.
♦ Inner check valve: The check valve inside the valve body is to insure the hydraulic oil not to be returned.
♦ Inner relief valve: The relief valve inside the valve body is able to adjust the hydraulic system working pressure.
♦ Oil way: Parallel circuit, power beyond option
♦ Control Way: Manual control, pneumatic control, hydraulic and electric control for optional.
♦ Valve construction:monoblock construction, 1-6 levers.
♦ Spool Function: O,Y, P,A.
♦ Option:Hydraulic lock is available to be added on A and B port.
♦ Available manual, pneumatic control, electric and pneumatic control, hydraulic and electric control and etc.
Model Code
SD11 F-OT T(Spring Return) ; W(DetentControl)
(Spool Function) O、A、Y
Nom.Pressure ( MPa) :E16、F20
Nom. Flow Rate:70 (L/min )
Monoblock Directional Control Valve
Parameters
|
(MPa) Nom. Pressure |
(MPa) Max. Pressure |
(L/ min) Nom. Flow rate |
(L/min) Max. Flow rate |
(MPa) Back Pressure |
hydraulic oil | ||
|
(°c) Tem.rang |
(mm2/S ) Visc.rang |
(5m) filtrating accuracy |
|||||
|
16 |
31.5 |
70 |
70 |
W1 |
-20〜+80 |
10-400 |
W10 |














